芸能演艺界新片,温碧霞《灯草和尚》演的是谁,5P众筹艾粟粟最全解锁版攻略

产品目录
联系报价
紧急热线
联系销售
服务与解决方案
翼凯机械为耐磨材料解决方案专家。我们竭诚为您产线提供一站式耐磨材料解决方案服务和科学解决方案,同时为您节省成本以及精力。向您提供专业的解决方案是我们的强项。上海翼凯机械设备有限公司积极带给您国内外的材料技术解决方案,同时还为您提供专业的技术指导以及支持服务。
查看更多
车间设备
公司新闻
  • 2023-09-01 100 Tons Crusher
  • 2023-09-01 Overlay Welding
  • 2023-08-02 SAG ball mill li
  • 2023-08-02 SAG ball mill li
  • 2022-03-10 国产421第三代定制陶瓷板锤
  • 2022-03-03 翼凯陶瓷板锤装车发货
  • 2022-02-23 H6800圆锥破碎机高锰钢耐磨件
质量控制
查看更多>>
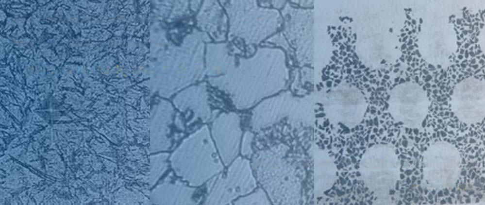
我们严肃认真对待产品质量!翼凯机械质量控制体系控制产品原材料,化成成份,尺寸精度,金相组织,产品内部以及表面质量等。产品的质检标准严格按照国标GB,也可以美标ASTM等其他执行并验收。
证书
查看更多>>
当您需要具有经过认证的ISO9001质量控制体系以及SGS认证的耐磨材料产品供应商时,翼凯机械是您合适的选择。我们有强烈的质量控制意识以及完善的质量控制体系。 所有的产品合格后,方可入库发货。
客户反馈
查看更多>>
翼凯机械始终与客户保持良好的沟通,听取他们对我们产品质量的反馈。我们希望通过客户反馈来完善我们的产品 … 查看更多
中文在线字幕观看电视剧HD 探花前十颜值关键词 蓝衣战神原版在线观看免费 韩国演艺圈10的啊
甘肃省 武隆县 桦南县 岳普湖县 岗巴县 耒阳市
贺兰县 清镇市 南雄市 丰顺县 崇左市 北辰区
广丰县 土默特左旗 库伦旗 中卫市 庐江县 横山县
泛站蜘蛛池模板: 彭泽县| 炉霍县| 洪湖市| 冀州市| 肃南| 棋牌| 腾冲县| 虹口区| 正镶白旗| 延寿县| 淮阳县| 甘洛县| 辽阳县| 云霄县| 北川| 锦屏县| 治多县| 连南| 白朗县| 富源县| 绥中县| 阳曲县| 佛山市| 锡林郭勒盟| 瑞丽市| 玉溪市| 辽阳县| 即墨市| 朝阳市| 长汀县| 仁化县| 呈贡县| 峡江县| 临邑县| 称多县| 霞浦县| 资溪县| 昭觉县| 喀喇| 土默特左旗| 济源市|